ไขข้อสงสัย ระบบงานสวม และพิกัดความเผื่อ สำคัญอย่างไร
สารบัญ
เพื่อน ๆ เคยสงสัยกันไหมครับว่า ระบบงานสวม แบบ ระบบรูเพลาคงที่ และแบบ ระบบเพลาคงที่ ต่างกันอย่างไร แล้ว พิกัดความเผื่อ ตัวอักษร H, h, G, g ที่พบเจอได้บ่อย ๆ ใน drawing หรือในแค็ตตาล็อกสินค้านั้นหมายถึงอะไร เรามาหาคำตอบกันในบทความนี้กันครับ
ระบบงานสวม คืออะไร ?
ระบบงานสวม คือ การประกอบชิ้นส่วนของเครื่องจักรเข้าด้วยกัน โดยจะพิจารณาให้ส่วนที่ทำการแก้ไขได้ยาก หรือมีค่าใช้จ่ายสูงในการปรับแก้เป็นส่วนที่คงที่ จากนั้นจึงค่อยทำการปรับขนาดอีกชิ้นส่วนหนึ่ง เพื่อให้สามารถนำมาประกอบเข้ากันได้ ซึ่งระบบงานสวมนั้นแบ่งออกได้เป็น 2 ประเภทดังนี้
1.ระบบรูเพลาคงที่ (hole basis system)
เป็นระบบที่เหมาะสำหรับงานออกแบบที่มีข้อจำกัดในการปรับเปลี่ยนขนาดของรูเพลา (ขนาดของรูเจาะคงที่)

2.ระบบเพลาคงที่ (shaft basis system)
เป็นระบบที่เหมาะสำหรับงานออกแบบ ที่มีข้อจำกัดในการปรับเปลี่ยนขนาดของเพลา (ขนาดของเพลาคงที่)

ข้อดี |
ข้อเสีย |
|
เพลามีขนาดคงที่ เหมาะกับงานที่ต้องการให้เพลาที่มีขนาดสม่ำเสมอ |
การปรับขนาดของรูเพลาให้เข้ากับเพลามีความยุ่งยาก |
|
เหมาะกับเพลาที่มีความยาวมาก เนื่องจากไม่ต้องปรับลดขนาดของเพลาตลอดความยาว |
ข้อแตกต่างระหว่าง รูเพลาคงที่และเพลาคงที่
ระบบรูเพลาคงที่ (hole basis system) |
ระบบเพลาคงที่ (shaft basis system) |
|
กำหนดขนาดของรูเพลาให้เป็นค่าคงที่ และปรับเปลี่ยนขนาดของเพลาได้ตามต้องการโดยขึ้นอยู่กับประเภทของงานสวม |
กำหนดขนาดของเพลาให้เป็นค่าคงที่ และปรับเปลี่ยนขนาดของรูเพลาได้ตามต้องการโดยขึ้นอยู่กับประเภทของงานสวม |
|
เหมาะสำหรับการผลิตแบบ mass production เพราะมีต้นทุนการผลิตที่ถูกกว่า สามารถปรับเปลี่ยนขนาดของรูเจาะได้ตามต้องการ โดยใช้ดอกสว่านและดอกรีมเมอร์ |
ไม่เหมาะสำหรับการผลิตแบบ mass production เพราะมีต้นทุนการผลิตสูง ในการทำให้เพลาได้ขนาดตามต้องการตลอดความยาว |
|
ง่ายต่อการปรับเปลี่ยนขนาดของเพลาตามความพอดีในการประกอบ |
การปรับเปลี่ยนขนาดรูเพลาให้เข้ากับเพลามีความยุ่งยาก หากมีชิ้นงานที่ต้องประกอบกับเพลาเป็นจำนวนมาก |
|
การวัดเพลาสามารถทำได้ง่ายและสะดวก |
การวัดขนาดรูภายในทำได้ยาก จำเป็นต้องใช้เครื่องมือวัดหลายชนิด |
พิกัดความเผื่อ (Tolerance) คืออะไร ?
พิกัดความเผื่อ (Tolerance) คือ ตัวอักษรและตัวเลขที่กำหนดขึ้น สำหรับบอกค่าความเผื่อ เพื่อนำไปใช้งานในการประกอบชิ้นงาน เช่น สวมเผื่อ(clearance fit), สวมพอดีหรือสวมคลอน(transition fit) และ สวมอัด(interference fit) เพื่อน ๆ สามารถอ่านรายละเอียดเพิ่มเติมเกี่ยวกับรูปแบบของงานสวมได้ที่นี่ โดยตัวอักษรภาษาอังกฤษ และตัวเลขมีความหมายดังนี้
ตัวอย่างการบอกพิกัดความเผื่อในงานต่าง ๆ
การบอกพิกัดความเผื่อบนเพลา
ตัวอย่างการบอกพิกัดความเผื่อของเพลา บนแคตตาล็อก MiSUMi จากภาพจะสังเกตเห็นได้ว่า ระบบพิกัดเผื่อของเพลาถูกแปลงออกมาเป็นค่าตัวเลข tolerance เรียบร้อยแล้ว ซึ่งเพื่อน ๆ สามารถนำตัวเลขชุดนี้ไปหาขนาดของเพลาได้เลยทันที ตัวอย่างเช่น เพลาเส้นผ่านศูนย์กลาง 8 mm. จะมีค่าพิกัดความเผื่อ ให้เลือกด้วยกัน 3 ระดับนั้นก็คือ g6, h5 และ f8 โดยในตัวอย่างนี้จะนำค่า g6 มาใช้งานซึ่งมีค่า tolerance อยู่ระหว่าง -0.005 ถึง -0.014 ดังนั้นเพลาชิ้นนี้ จึงมีขนาดอยู่ระหว่าง 7.995 ถึง 7.986 นั้นเอง

การบอกพิกัดความเผื่อบนรูเพลา
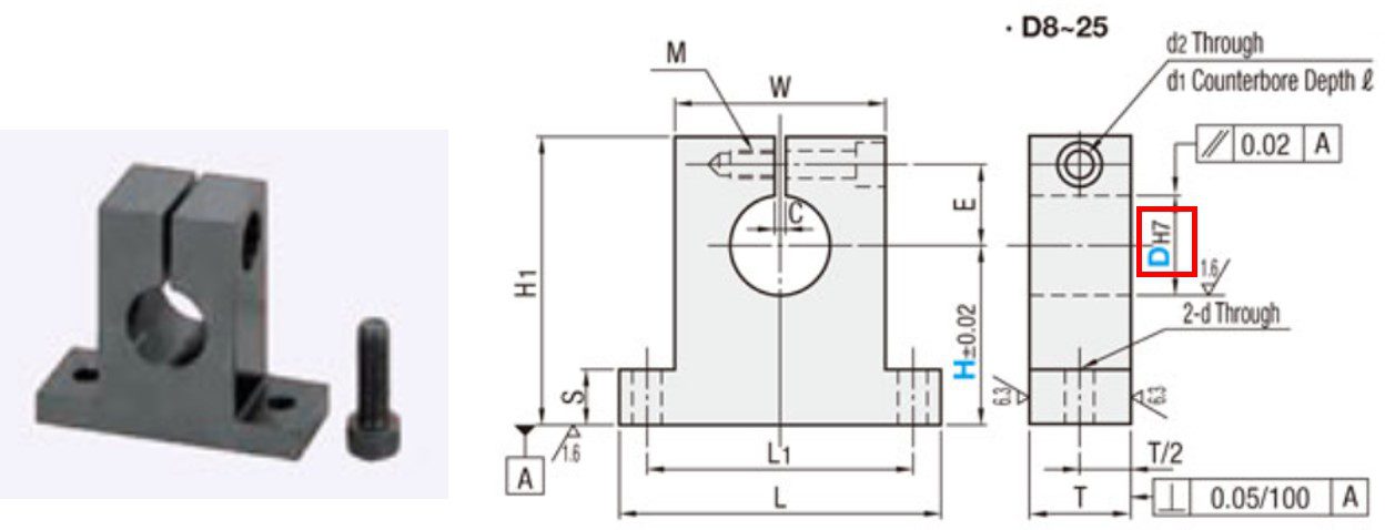
ตัวอย่างการบอกพิกัดความเผื่อของรูเพลาบนแคตตาล็อก MiSUMi ในตัวอย่างนี้จะยกตัวอย่างอุปกรณ์ที่นิยมงานร่วมกับเพลา นั้นก็คือ ตัวยึดเพลา (shaft holder) มาให้เพื่อน ๆ ได้ดูกันครับ จาก ภาพจะเห็นได้ว่า รูเพลาบนแคตตาล็อก ระบุเป็น H7 แล้วเราจะหาค่า tolerance เป็นตัวเลขได้อย่างไร เรามาดูกันครับ

การหาค่าพิกัดความเผื่อของรูเพลา
ในบางครั้งแคตตาล็อก หรือ drawing ไม่ได้ระบุค่า tolerance ของรูเพลาหรือเพลาไว้อย่างชัดเจน แต่ใช้ตัวอักษรและตัวเลขบอกแทน เราสามารถหาค่า tolerance ได้ตามขึ้นตอนดังนี้
ตัวอย่างการหาค่าพิกัดความเผื่อ สำหรับรูเพลา 8 H7
ในบางครั้งเพื่อน ๆ อาจจะเจอกับตารางค่าพิกัดความเผื่อที่ใช้สำหรับรูคว้าน แต่ไม่ต้องตกใจครับ รูคว้านและรูเพลามีความหมายเหมือนกัน
ขั้นตอนที่ 1 เปิดตารางแสดงค่าพิกัดความเผื่อสำหรับงานสวมทั่วไปแบบรูเพลา(รูคว้าน)คงที่ คลิกเพื่อเปิดตาราง
!! ข้อควรระวัง ตารางที่นำมาใช้งานนี้มีหน่วยเป็น μm ฉะนั้น ต้องไม่ลืมที่จะทำการแปลงหน่วยเป็น mm. ในการคำนวณ (1 μm = 0.001 mm.)

ขั้นตอนที่ 2 สังเกตที่ช่อง Reference dimension สังเกตเห็นว่าเส้นผ่านศูนย์กลางขนาด 8 mm. มีค่าอยู่ระหว่าง 6-10 mm.
ขั้นตอนที่ 3 สังเกตที่ช่อง Class of tolerance range for Holes ช่อง H7
ขั้นตอนที่ 4 จะเห็นได้ว่ามีกรอบสีเหลืองที่เกิดจากการตัดกันของขั้นตอนที่ 2 และ ขั้นตอนที่ 3 ให้นำค่าทั้งสองมาใช้ในการคำนวณ
| ขนาดพิกัดงานสวม | ขนาดและค่าความคลาดเคลื่อน | ขนาดรูเพลาใหญ่สุด (mm.) | ขนาดรูเพลาเล็กสุด (mm.) |
| 8+0.015 = 8.015 | 8+0 =8.000 |
จะได้ว่า ตัวยึดเพลาชิ้นนี้มีขนาดของรูเพลาอยู่ในช่วง 8.015 ถึง 8.000 mm.
จบไปแล้วนะครับ สำหรับบทความ ระบบงานสวมและพิกัดความเผื่อพร้อมตัวอย่างการคำนวณ ทางผู้เขียนหวังว่า เพื่อนๆ จะได้รับความรู้ถูกต้องครบถ้วนและสามารถ นำไปประยุกต์ใช้กับงานออกแบบของเพื่อน ๆ ได้ ในบทความถัดไปเรามาดูกันครับว่า การเลือกพิกัดความเผื่อให้เหมาะสมกับงานที่จะนำไปประกอบ ต้องพิจาณาอะไรเป็นส่วนสำคัญบ้าง และมีขั้นตอนการเลือกใช้และการคำนวณอย่างไร พบกันใหม่ในสัปดาห์หน้า สุดท้ายนี้ เรามีคำศัพท์ที่น่าสนใจเกี่ยวกับเรื่องของระบบงานสวมมาฝากกันครับ
คำศัพท์ที่น่าสนใจ
| คำศัพท์ | คันจิ | ฮิรางานะ | คาตาคานะ | คำอ่าน |
|---|---|---|---|---|
| เพลา | – | – | シャフト | sha-fu-to |
| รู | 穴 | あな | – | a-na |
ตารางพิกัดความเผื่อ





